You are viewing content for United Kingdom.

Choose a country to see content for your location. Changing region will navigate you to the homepage.

NBS Source
I'm a manufacturer
Compare variants

Straight Grabrails Ambulant 819439, 819440, 819441, 819442, 819443, 820670, 820671

Verified by manufacturer 2 months ago

819439 Straight Grabrail - 300mm (11-13/16")

Bobrick Washroom Equipment Ltd Variant:

Stainless steel straight grab rails in various lengths for accessible use, with concealed fixings.

Jump to:
Request BIM
+44 (0)20 8366 1771 Website

Application

Wall/ surface mounted

Description

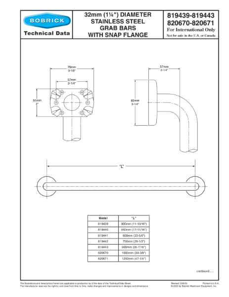
32 mm (1-1/4″) diameter tubing. Satin-finish, slip-resistant surface stainless steel grab bar for a bath/ shower/ toilet compartment. The product features a snap flange and 32 mm (1-1/4″) diameter tubing.

General information

Color

Silver

Finish

Satin

Material

Stainless steel

Length

300 mm

450 mm

600 mm

750 mm

900 mm

Show more

Warranty description

One year

Guidance for specification option:

Bobrick washroom accessories are warranted to be free from defects in workmanship and material under normal usage service for one year from the date of purchase.

Uniclass

Pr_40_20_76_84 Support railsPrimary

CAWS

N13/436 Handrails and grab bars

N13/69 Support rails and grab bars

SKU Code

819439, 819440, 819441, 819442, 819443, 820670, 820671

Specification data - Support rails

Classification data

Form

Fixed.

Diameter

32 mm.

Materials

-

Body

Stainless steel.

Finish and colour

Satin.

Integral accessories

Snap on rose cover.

Optional

Mounting Kit No. 252-30.

Guidance for specification option:

Description Consists of (3) #14 x 2½'' Type-304 stainless steel, Phillips round-head, sheet-metal screws.

WingIt™ Fastener No. 251-4.

Guidance for specification option:

Consists of (3) 10–32 x 5/16'' round-head, Phillips 18/8 stainless steel screws. (1) WingIt grab bar fastener.

Anchor No.2583.

Guidance for specification option:

Anchor for 3/4" to 1" (19-25mm) panel 1 anchor required for each flange.

Anchor No.2586.

Guidance for specification option:

Anchor for 1/2" to 1" (13mm) panel 1 anchor required for each flange.

Manufacturer guidance

Provide concealed anchor device or backing as specified or required in accordance with local building codes before wall is finished. Fasten concealed mounting flanges to anchor device or backing with two screws in each flange. Snap flange covers over each mounting flange to conceal mounting screws. Concealed anchor devices and mounting screws are not included with Bobrick grab bars and must be specified as on accessory.

Sustainability data

Material

Stainless steel

Literature

Straight Grabrails Ambulant - Tech Drawing

Straight Grabrails Ambulant - Tech Drawing

DDA catalogue

DDA catalogue

TB-21 Stainless Steel Cleaning and Maintenance

TB-21 Stainless Steel Cleaning and Maintenance

Similar products from Bobrick Washroom Equipment Ltd

450 mm Straight Grab Bar 819440

450 mm Straight Grab Bar 819440

600 mm Straight Grab Bar 819441

600 mm Straight Grab Bar 819441

Straight Grab Bar with Concealed Flange - 150C.MBLK - Grab Bar

Straight Grab Bar with Concealed Flange - 150C.MBLK - Grab Bar

UK Doc M Pack for Ambulant Washroom 81904

UK Doc M Pack for Ambulant Washroom 81904

UK Doc M Pack for Ambulant Washroom 81905

UK Doc M Pack for Ambulant Washroom 81905

UK Doc M Pack for Unisex Washroom 81901

UK Doc M Pack for Unisex Washroom 81901

UK Doc M Pack for Unisex Washroom 81902

UK Doc M Pack for Unisex Washroom 81902

UK Doc M Pack for Unisex Washroom 81903

UK Doc M Pack for Unisex Washroom 81903

Wall to Floor Grab Bar with Socket End 819388

Wall to Floor Grab Bar with Socket End 819388

Wall-Mounted Swing Up Grab Bar 125-Swing-Up

Wall-Mounted Swing Up Grab Bar 125-Swing-Up