You are viewing content for United Kingdom.

Choose a country to see content for your location. Changing region will navigate you to the homepage.

NBS Source
I'm a manufacturer

Application

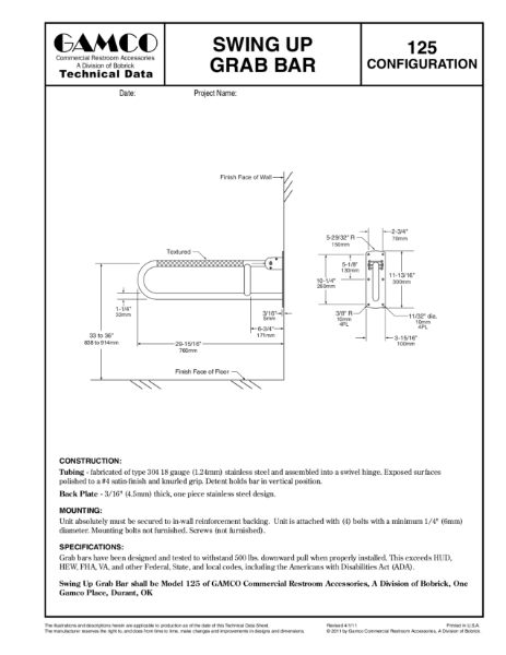
Unit must be secured to in-wall reinforcement backing. For use in areas where accessibility is a requirement i.e. to meet part M for washrooms.

Description

Grab bars designed and tested to withstand 500 lbs. downward pull when properly installed. This exceeds HUD, HEW, FHA, VA, and other Federal, State, and local codes, including the Americans with Disabilities Act (ADA).

General information

Color

Silver

Finish

Polished

Material

Stainless steel

Length

760 mm

Width

100 mm

Height

300 mm

Warranty description

Guidance for specification option:

Bobrick washroom accessories are warranted to be free from defects in workmanship and material under normal usage service for one year from the date of purchase.

Uniclass

Pr_40_20_76_84 Support railsPrimary

CAWS

N13/436 Handrails and grab bars

N13/69 Support rails and grab bars

SKU Code

125 Swing Up Grab Bar

Specification data - Support rails

Classification data

Form

Hinged.

Diameter

32 mm.

Materials

-

Body

Stainless steel.

Finish and colour

Satin.

Integral accessories

Guidance for specification option:

Provide concealed anchor device or backing as specified or required in accordance with local building codes before wall is finished. Fasten grab bar to anchor device or backing. Concealed anchor devices and mounted screws are not included with Bobrick grab bars and must be specified as an optional accessory.

Sustainability data

Country of material origin

China

Literature

Advisory Bulletin TB-21 Stainless Steel Cleaning and Maintenance

Advisory Bulletin TB-21 Stainless Steel Cleaning and Maintenance

Swing Up Grab Bar

Swing Up Grab Bar

Washroom Accessories

Washroom Accessories

Doc M Sell Sheet

Doc M Sell Sheet

Similar products from Bobrick Washroom Equipment Ltd

450 mm Straight Grab Bar 819440

450 mm Straight Grab Bar 819440

600 mm Straight Grab Bar 819441

600 mm Straight Grab Bar 819441

Straight Grab Bar with Concealed Flange - 150C.MBLK - Grab Bar

Straight Grab Bar with Concealed Flange - 150C.MBLK - Grab Bar

Straight Grabrails Ambulant 819439, 819440, 819441, 819442, 819443, 820670, 820671

Straight Grabrails Ambulant 819439, 819440, 819441, 819442, 819443, 820670, 820671

UK Doc M Pack for Ambulant Washroom 81904

UK Doc M Pack for Ambulant Washroom 81904

UK Doc M Pack for Ambulant Washroom 81905

UK Doc M Pack for Ambulant Washroom 81905

UK Doc M Pack for Unisex Washroom 81901

UK Doc M Pack for Unisex Washroom 81901

UK Doc M Pack for Unisex Washroom 81902

UK Doc M Pack for Unisex Washroom 81902

UK Doc M Pack for Unisex Washroom 81903

UK Doc M Pack for Unisex Washroom 81903

Wall to Floor Grab Bar with Socket End 819388

Wall to Floor Grab Bar with Socket End 819388