You are viewing content for United Kingdom.

Choose a country to see content for your location. Changing region will navigate you to the homepage.

NBS Source
I'm a manufacturer

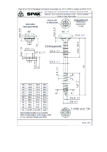
SPAX WIROX Coated Flat Head Adjusting Screws

Verified by manufacturer 5 months ago

Spax UK Ltd

Silver flat head partial thread construction screws.

Jump to:
Request BIM
01902703355 Website

Application

For indoor use and outdoor use without direct exposure to weather - SPAX WIROX 'ADJUSTING' screws allow a continuously adjustable spacing between battens and wooden substructures - shimming with wedges is no longer required.

Description

Silver flat head partial thread construction screws.

Features and benefits:

  • T STAR plus bit recess. For a more positive and secure fit of the bit and better driving in (e.g. when working overhead).
  • No pre-drilling required (depending on wood).
  • 4CUT point ensures safe fastening with low effort, reduces splitting of the wood and reduces the screwing-in torque required.
  • Retaining ribs ensure a sturdy hold of the wooden substructure.
  • Flat head ensures clean sinking and high holding forces.
  • WIROX coated screws are silver in appearance. WIROX is chromium (VI) free and far more environmentally-friendly than conventional surfaces.
  • WIROX screws have a high level of resistance to corrosion and are suited for indoor use or outdoor use without direct exposure to weather.
  • WIROX is more resistant to mechanical stress.

General information

Color

Silver

Finish

Coated

Material

Steel

Shape

Circle

Length

60 mm

70 mm

80 mm

90 mm

100 mm

Show more

Width

6 mm

Uniclass

Pr_20_29_76_98 Wood screwsPrimary

CAWS

Z20/380 Screws

Specification data - Wood screws

Classification data

Material

Steel.

Finish

WIROX-coated.

Screw details

-

Head option

Countersunk head.

Screw pattern

Partial thread adjusting screw.

Size

-

Diameter

6 mm.

Length

60 mm.
70 mm.
80 mm.
90 mm.
100 mm.
110 mm.
120 mm.
130 mm.
145 mm.
160 mm.

Screw head protection

-

Types

Guidance for specification option:

Consult manufacturer for options and insert requirements, or omit.

Colour

Guidance for specification option:

Consult manufacturer for options and insert requirements, or omit.

Drive

T-STAR plus (T30).

Sustainability data

Country of product manufacture

Germany

Material

Steel

Literature

SPAX - Sustainability

SPAX - Sustainability

SPAX Adjusting Screws

SPAX Adjusting Screws

SPAX WIROX Coated Flat Head Adjusting Screws Data Sheet

SPAX WIROX Coated Flat Head Adjusting Screws Data Sheet

Similar products from Spax UK Ltd

SPAX A2 Grade Stainless Steel Flat Countersunk Head Universal Use Screws

SPAX A2 Grade Stainless Steel Flat Countersunk Head Universal Use Screws

SPAX A2 Grade Stainless Steel Full Thread Flat Countersunk Head Timber Construction Screws

SPAX A2 Grade Stainless Steel Full Thread Flat Countersunk Head Timber Construction Screws

SPAX A2 Grade Stainless Steel Partial Thread Flat Countersunk Head Timber Construction Screws

SPAX A2 Grade Stainless Steel Partial Thread Flat Countersunk Head Timber Construction Screws

SPAX A2 Grade Stainless Steel Raised Head Sealing (Roofing) Screws

SPAX A2 Grade Stainless Steel Raised Head Sealing (Roofing) Screws

SPAX A2 Grade Stainless Steel Small Cylindrical Head Decking Screws

SPAX A2 Grade Stainless Steel Small Cylindrical Head Decking Screws

SPAX A2 Grade Stainless Steel Washer Head Timber Construction Screws

SPAX A2 Grade Stainless Steel Washer Head Timber Construction Screws

SPAX A2 Stainless Steel Façade Screw With Cut Point

SPAX A2 Stainless Steel Façade Screw With Cut Point

SPAX A2 Stainless Steel Façade Screw With Fixing Thread

SPAX A2 Stainless Steel Façade Screw With Fixing Thread

SPAX A2 Stainless Steel Façade Screw With Very Small Head

SPAX A2 Stainless Steel Façade Screw With Very Small Head

SPAX A4 Grade Stainless Steel Full Thread Flat Countersunk Head Timber Construction Screws

SPAX A4 Grade Stainless Steel Full Thread Flat Countersunk Head Timber Construction Screws