You are viewing content for United Kingdom.

Choose a country to see content for your location. Changing region will navigate you to the homepage.

NBS Source
I'm a manufacturer
Compare variants

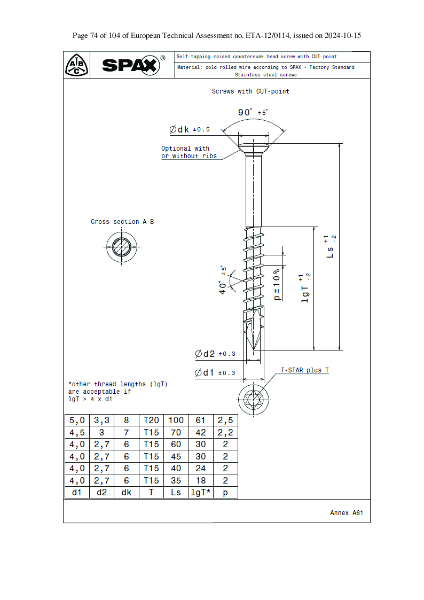
SPAX A2 Stainless Steel Façade Screw With Very Small Head

Verified by manufacturer 5 months ago

Silver finish, 4 mm

Spax UK Ltd Variant:

The very small head facade screw.

Jump to:
Request BIM
01902703355 Website

Application

For outdoor use with direct exposure to weather - SPAX A2 GRADE STAINLESS STEEL 'VERY SMALL HEAD' FACADE screws are the solution for installing tongue and groove facade profiles.

Description

Very small head facade screw.

Features and benefits:

  • No rust marks.
  • Long-lasting.
  • Visible and non-visible connection.
  • T STAR plus bit recess. For a more positive and secure fit of the bit and better driving in.
  • Pre-drilling recommended.
  • Self-drilling cut point ensures precision placement for exact screw positioning.
  • Partial thread secures the board tight to the substructure.
  • Clean, flush countersinking of the screw head.
  • Splitting of the wood is reduced.
  • Available in silver and BLAX (black) finishes.
  • SPAX A2 grade stainless steel screws offer a high level of protection against corrosion. A reliable, durable choice, for outdoor applications in non-coastal areas.

General information

Color

Silver

Black

Finish

Coated

Material

Stainless steel

Shape

Circle

Length

40 mm

45 mm

60 mm

70 mm

100 mm

Width

4 mm

4.5 mm

5 mm

Uniclass

Pr_20_29_76_98 Wood screwsPrimary

CAWS

Z20/380 Screws

Specification data - Wood screws

Classification data

Material

Stainless steel.

Finish

Anti-friction coated.

Screw details

-

Head option

Countersunk head.

Screw pattern

Partially threaded shank with fixing thread.

Size

-

Diameter

4 mm.

Length

40 mm.
45 mm.
60 mm.

Manufacturer guidance

Available in craft packages; consult manufacturer's literature for package number options.

Drive

T-STAR plus (T15).

Sustainability data

Country of product manufacture

Germany

Material

Stainless steel

Literature

SPAX - Sustainability

SPAX - Sustainability

SPAX Facade Brochure

SPAX Facade Brochure

SPAX Professional Catalogue

SPAX Professional Catalogue

SPAX A2 Stainless Steel Facade with very small head data sheet

SPAX A2 Stainless Steel Facade with very small head data sheet

Similar products from Spax UK Ltd

SPAX A2 Grade Stainless Steel Flat Countersunk Head Universal Use Screws

SPAX A2 Grade Stainless Steel Flat Countersunk Head Universal Use Screws

SPAX A2 Grade Stainless Steel Full Thread Flat Countersunk Head Timber Construction Screws

SPAX A2 Grade Stainless Steel Full Thread Flat Countersunk Head Timber Construction Screws

SPAX A2 Grade Stainless Steel Partial Thread Flat Countersunk Head Timber Construction Screws

SPAX A2 Grade Stainless Steel Partial Thread Flat Countersunk Head Timber Construction Screws

SPAX A2 Grade Stainless Steel Raised Head Sealing (Roofing) Screws

SPAX A2 Grade Stainless Steel Raised Head Sealing (Roofing) Screws

SPAX A2 Grade Stainless Steel Small Cylindrical Head Decking Screws

SPAX A2 Grade Stainless Steel Small Cylindrical Head Decking Screws

SPAX A2 Grade Stainless Steel Washer Head Timber Construction Screws

SPAX A2 Grade Stainless Steel Washer Head Timber Construction Screws

SPAX A2 Stainless Steel Façade Screw With Cut Point

SPAX A2 Stainless Steel Façade Screw With Cut Point

SPAX A2 Stainless Steel Façade Screw With Fixing Thread

SPAX A2 Stainless Steel Façade Screw With Fixing Thread

SPAX A4 Grade Stainless Steel Full Thread Flat Countersunk Head Timber Construction Screws

SPAX A4 Grade Stainless Steel Full Thread Flat Countersunk Head Timber Construction Screws

SPAX BLAX Coated Flat Countersunk Head Universal Use Screws

SPAX BLAX Coated Flat Countersunk Head Universal Use Screws