You are viewing content for United Kingdom.

Choose a country to see content for your location. Changing region will navigate you to the homepage.

NBS Source
I'm a manufacturer
Compare variants

SPAX A2 Grade Stainless Steel Small Cylindrical Head Decking Screws

Verified by manufacturer 5 months ago

Silver (stainless steel)

Spax UK Ltd Variant:

A2 grade stainless steel cylindrical head screws with fixing thread - silver and antique finishes.

Jump to:
Request BIM
01902703355 Website

Application

For outdoor use with direct exposure to weather - SPAX A2 GRADE STAINLESS STEEL 'DECKING' screws are the solution for both softwood and hardwood decking projects.

Description

A2 grade stainless steel cylindrical head screws with fixing thread - silver and antique finishes.

Features and benefits:

  • No rust marks.
  • Long-lasting.
  • T STAR plus bit recess. For a more positive and secure fit of the bit and better driving in.
  • Pre-drilling recommended.
  • 4CUT point ensures safe fastening with low effort, reduces splitting of the wood and reduces the screwing-in torque required.
  • Small cylindrical head allows a fix into the groove of the deckboard for a perfect finish.
  • Fixing thread secures the deckboard down tight.
  • SPAX A2 grade stainless steel screws offer a high level of protection against corrosion. A reliable, durable choice, for outdoor applications in non-coastal areas.

General information

Color

Silver

Copper

Finish

Other

Material

Stainless steel

Shape

Circle

Length

40 mm

50 mm

60 mm

70 mm

80 mm

Width

5 mm

Uniclass

Pr_20_29_76_98 Wood screwsPrimary

CAWS

Z20/380 Screws

Specification data - Wood screws

Classification data

Material

Stainless steel.

Guidance for specification option:

A2 grade.

Finish

Stainless steel.

Screw details

-

Head option

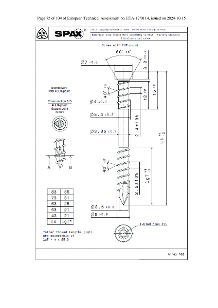
Small cylindrical head.

Screw pattern

Partially threaded shank with fixing thread.

Size

-

Diameter

5 mm.

Length

40 mm.

Guidance for specification option:

Craft packages only.

50 mm.
60 mm.
70 mm.
80 mm.

Guidance for specification option:

Craft packages only.

Manufacturer guidance

Available in standard and craft packages; consult manufacturer's literature for package number options.

Screw head protection

-

Types

Guidance for specification option:

Consult manufacturer for options and insert requirements, or omit.

Colour

Guidance for specification option:

Consult manufacturer for options and insert requirements, or omit.

Drive

T-STAR plus (T25).

Sustainability data

Country of product manufacture

Germany

Material

Stainless steel

Literature

SPAX - Sustainability

SPAX - Sustainability

SPAX Decking Screws

SPAX Decking Screws

SPAX Professional Catalogue

SPAX Professional Catalogue

SPAX A2 Grade Stainless Steel Small Cylindrical Head Decking Screw Data Sheet

SPAX A2 Grade Stainless Steel Small Cylindrical Head Decking Screw Data Sheet

Similar products from Spax UK Ltd

SPAX A2 Grade Stainless Steel Flat Countersunk Head Universal Use Screws

SPAX A2 Grade Stainless Steel Flat Countersunk Head Universal Use Screws

SPAX A2 Grade Stainless Steel Full Thread Flat Countersunk Head Timber Construction Screws

SPAX A2 Grade Stainless Steel Full Thread Flat Countersunk Head Timber Construction Screws

SPAX A2 Grade Stainless Steel Partial Thread Flat Countersunk Head Timber Construction Screws

SPAX A2 Grade Stainless Steel Partial Thread Flat Countersunk Head Timber Construction Screws

SPAX A2 Grade Stainless Steel Raised Head Sealing (Roofing) Screws

SPAX A2 Grade Stainless Steel Raised Head Sealing (Roofing) Screws

SPAX A2 Grade Stainless Steel Washer Head Timber Construction Screws

SPAX A2 Grade Stainless Steel Washer Head Timber Construction Screws

SPAX A2 Stainless Steel Façade Screw With Cut Point

SPAX A2 Stainless Steel Façade Screw With Cut Point

SPAX A2 Stainless Steel Façade Screw With Fixing Thread

SPAX A2 Stainless Steel Façade Screw With Fixing Thread

SPAX A2 Stainless Steel Façade Screw With Very Small Head

SPAX A2 Stainless Steel Façade Screw With Very Small Head

SPAX A4 Grade Stainless Steel Full Thread Flat Countersunk Head Timber Construction Screws

SPAX A4 Grade Stainless Steel Full Thread Flat Countersunk Head Timber Construction Screws

SPAX BLAX Coated Flat Countersunk Head Universal Use Screws

SPAX BLAX Coated Flat Countersunk Head Universal Use Screws