NBS Source
I'm a manufacturer
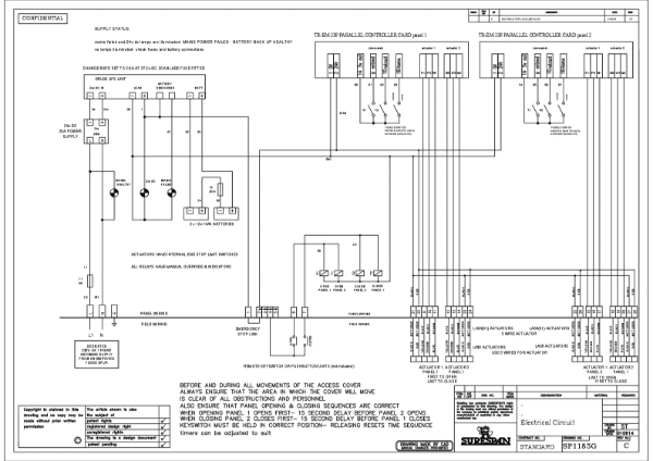
SP1185G Double Leaf - Double Actuator

Technical data sheet

SP1185G Double Leaf - Double Actuator

by Surespan

Products related to this literature

View all products(38)
Roof Hatch - Surespan SRHP75 Thermally Broken Roof Hatch - Roof Hatch

Roof Hatch - Surespan SRHP75 Thermally Broken Roof Hatch - Roof Hatch

More literature from Surespan

View all literature (68)
Floor Access Hatches

Floor Access Hatches

Floor Access Door for internal applications

Floor Access Door for internal applications

Walk on glass floor cover and Pavement Vent

Walk on glass floor cover and Pavement Vent

ISO 9001:2015 Certificate

ISO 9001:2015 Certificate