You are viewing content for United Kingdom.

Choose a country to see content for your location. Changing region will navigate you to the homepage.

NBS Source
I'm a manufacturer
This literature item is no longer available.
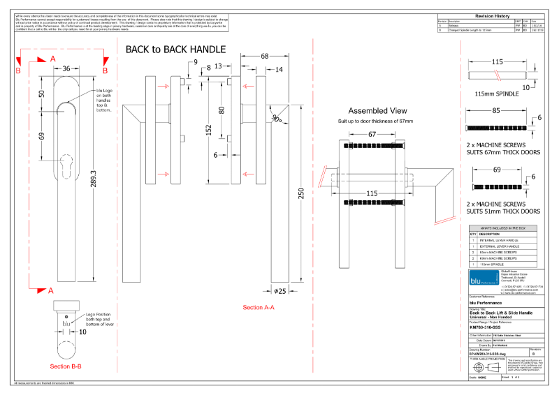
BLU™ - KM780 Lift and Slide Door Handle CAD

Technical drawing

BLU™ - KM780 Lift and Slide Door Handle CAD

by Coastal Group

Viewing archived literature data

This literature has been archived and is no longer valid.

No related products in this Technical drawing

Contact Coastal Group by clicking the button below to find out which products were used in this Technical drawing.