NBS Source
I'm a manufacturer
This literature item is no longer available.
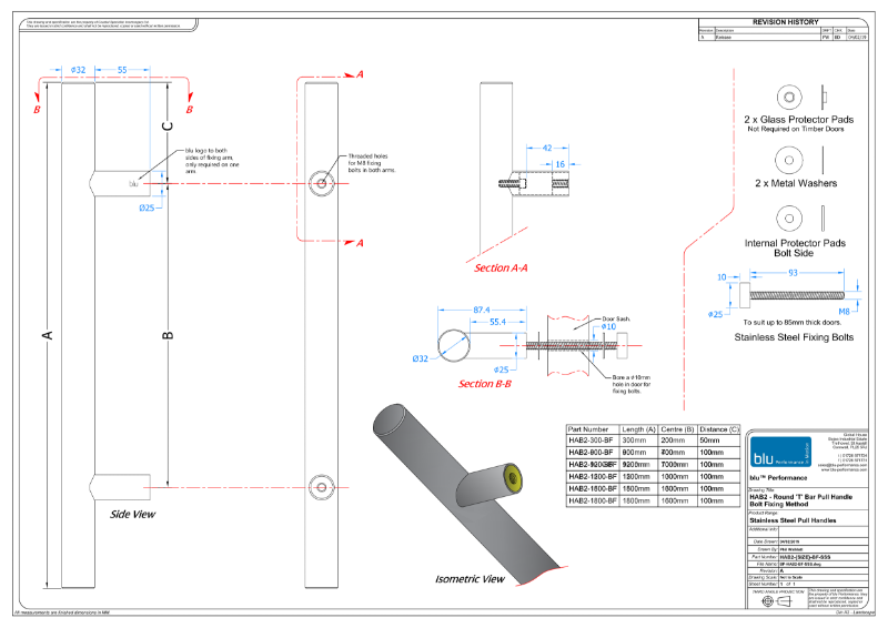
BLU™ - HAB2 Inline Round 'T' Bar Pull Handle - Bolt Fix

Technical drawing

BLU™ - HAB2 Inline Round 'T' Bar Pull Handle - Bolt Fix

by Coastal Group

Viewing archived literature data

This literature has been archived and is no longer valid.

No related products in this Technical drawing

Contact Coastal Group by clicking the button below to find out which products were used in this Technical drawing.